Fáilte go dtí Siopa GEMA - do shaineolaí ar theicneolaíocht teasa, gréine agus sláintíochta ó 1991. Molaimid duit go pearsanta agus cuirimid réitigh theicniúla ar fáil a oibríonn i ndáiríre.
  • loingseoireachta go tapa

  • Cabhair agus comhairle saor in aisce

  • Ar oscailt 7 lá na seachtaine

Anhaltinerring 17, 39439 Güsten

Caleffi  |  SKU: CUV34100

Comhla faoisimh brú difreálach

Ainm: CALEFFI S.p.a.

Seoladh: S.R. 229, n. 25, 28010 Fontaneto d'Agogna (NO) Italy

Ríomhphost: info@caleffi.com

Láithreán Gréasáin: https://www.caleffi.com/de-de

Déantóir Eorpach: Sea

Praghas gnáth 32,25 €
cBL san áireamh. Loingsiú Gearrfar táille ort ag an tseiceáil amach.


Seachadadh agus loingseoireachta

Is é 1 lá gnó an t-am próiseála de ghnáth. Is é 1-3 lá gnó an t-am seachadta do phacáistí. I gcás seolta lastais, is é 3-5 lá gnó an t-am seachadta. Bíonn amanna seachadta lasmuigh den Ghearmáin éagsúil.

Beschreibung

Comhla róshreabhadh brú difreálach — inchoigeartaithe le scála

Sonraí teicniúla

Uasmhéid brú oibriúcháin: 10 bar. Raon teochta meánach: 0–100 °C. Uasmhéid cion glycol: 30%. Meán: Tuaslagáin uisce agus glycol.

feidhm

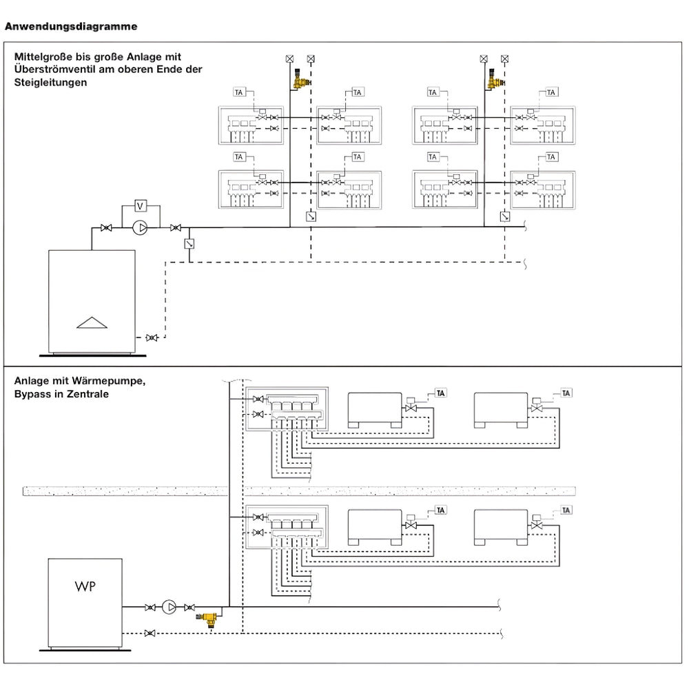
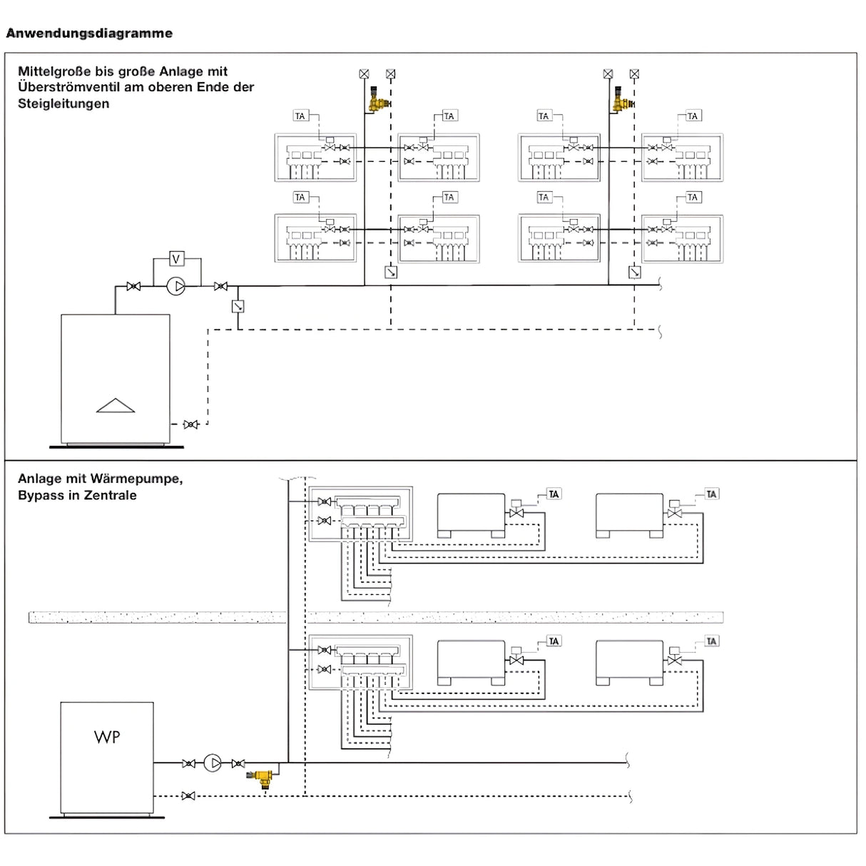
Cinntíonn an comhla seachbhóthair brú difreálach go ndéantar rialú ar rátaí sreafa i gcórais a bhfuil staideanna tomhaltóirí luaineacha acu. Cuireann sé teorainn leis an mbrú difreálach a ghineann an caidéal agus tugann sé an iomarca toirte ar ais i gcomhréir le líon na dtomhaltóirí dúnta.

Go háirithe i gcórais le caidéil teasa nó caidéil cúrsaíochta rialaithe luais, cinntíonn an comhla an ráta sreafa íosta riachtanach atá riachtanach chun go n-oibreoidh an meaisín i gceart agus chun mífheidhmeanna agus róthéamh a chosc.

Inchoigeartaitheacht agus oibriú

Ligeann an coigeartú gan chéim tríd an scála infheicthe oiriúnú beacht do na coinníollacha brú ríofa den chóras. Le linn coimisiúnaithe, ba cheart an socrú a dhéanamh bunaithe ar chuar tréith an chaidéil agus an teorainn brú difreálach atá ag teastáil.

Le mionchoigeartú le linn oibríochta, is féidir iompar an chórais a bharrfheabhsú faoi ualaí athraitheacha; logáil socruithe le haghaidh tomhais rialaithe níos déanaí.

Buntáistí

Cosaint na caidéil agus na gcomhpháirteanna rialaithe tríd an uasbhrú difreálach a theorannú, leibhéil torainn laghdaithe, agus saolré an chórais níos faide. Feabhsaíonn coinníollacha hiodrálacha níos cobhsaí iompar agus éifeachtúlacht rialaithe.

Treoracha tionóil agus cothabhála

Ba chóir an comhla a shuiteáil in áit oiriúnach sa líne fillte, inrochtana le haghaidh cigireachta agus coigeartaithe. Méadaíonn scagaire suas srutha na comhla iontaofacht oibríochtúil agus laghdaíonn sé caitheamh.

Moltar cigireachtaí amhairc agus feidhmiúla rialta a dhéanamh, chomh maith le seiceálacha ar an gcion glycol agus na séalaí. Ní mór bearta cosanta iomchuí a dhéanamh i gcás sioc.

Réimsí iarratais

Oiriúnach do chórais téimh, fuaraithe, agus caidéil teasa le rátaí sreafa athraitheacha. An-úsáideach i gcórais le tomhaltóirí iolracha, gníomhaitheoirí, nó caidéil rialaithe luais chun an sreabhadh agus an teorainn brú íosta a chinntiú.

Sonraí teicniúla

  • Brú oibre uasta: 10 bar
  • Raon teochta meánach: 0–100 °C
  • Uasmhéid ábhar glycol: 30%
  • Gníomhairí: Uisce, tuaslagáin glycol
  • Socrú: 10–60 kPa (1–6 m w.s.)
  • Naisc:
    • Snáithe baineann 3/4” (ISO 228-1) le haghaidh snáithe fireann le nasc scriú

íocaíocht & Slándáil

Roghanna íocaíochta

  • American Express
  • Apple Pay
  • Bancontact
  • BLIK
  • EPS
  • Google Pay
  • iDEAL
  • Klarna
  • Maestro
  • Mastercard
  • MobilePay
  • PayPal
  • Przelewy24
  • Shop Pay
  • Union Pay
  • Visa

Déantar d’fhaisnéis íocaíochta a phróiseáil go slán. Ní stórálaimid ná ní dhéanaimid rochtain ar fhaisnéis do chárta creidmheasa.

Déan teagmháil linn