Telefon +49(0)39262 878720

E-mail: gemashop@gema-net.de

WhatsApp: +49(0)17660429928

  • hurtig forsendelse

  • Gratis hjælp og rådgivning

  • Problemfri returnering

  • Åbent 7 dage om ugen

Anhaltinerring 17, 39439 Güsten

Åbent man-tor 7.00-17.00; Fre 7.00-16.00; Lør 9-12

Elektromet  |  SKU: MDC400P

PV gennemstrømningsvandvarmer varmemodul nødopvarmning 1 1/2" MDC 400P

Navn: Zakład Urządzeń Grzewczych ELEKTROMET

Adresse: Gołuszowice 53, 48-100 Głubczyce, Pl

E-mail: export@elektromet.com.pl

Website: https://elektromet.pl/en/

Europæisk Producent: Ja

Salgspris 185,96 € Normalpris 205,31 €
moms inkluderet. Forsendelse vil blive opkrævet ved kassen.


Levering og forsendelse

Behandlingstiden er typisk 1 hverdag. Levering af pakker er 1-3 hverdage. For spedition er leveringstiden 3-5 hverdage. Leveringstiderne uden for Tyskland varierer.

Beschreibung

Genopvarmningsmodul/gennemstrømningsvandvarmer/nødopvarmning 1 1/2" MDC 400P – Pålidelig ekstra opvarmning til dit system

Produktoversigt

MDC 400P eftervarmemodulet er et innovativt tilbygningsmodul, der er specielt designet til åbne og lukkede varmekredsløb. Det tilbyder en effektiv nødopvarmningsløsning i tilfælde af kedel- eller varmepumpefejl og sikrer behagelig varme selv i uventede situationer.

Derudover kan modulet bruges til at understøtte opvarmning ved lave udetemperaturer og muliggør udnyttelse af overskydende energi fra boligens solcelleanlæg til centralvarme. Systemet kombinerer således moderne teknologi med høj fleksibilitet.

Fordele og funktioner

En vigtig fordel ved MDC 400P er dens lave anskaffelsesomkostninger, hvilket gør den til en omkostningseffektiv eftermonteringsløsning. Hurtig installation og minimalt pladskrav muliggør nem integration i eksisterende varmesystemer.

Det højisolerede hus, der består af et indvendigt materiale i rå stål og et ydre materiale i pulverlakeret plast, sikrer sikker og effektiv varmeoverførsel. Derudover sikrer den højkvalitetsisolering af det 50 mm tykke polyuretanskum optimal varmebevaring.

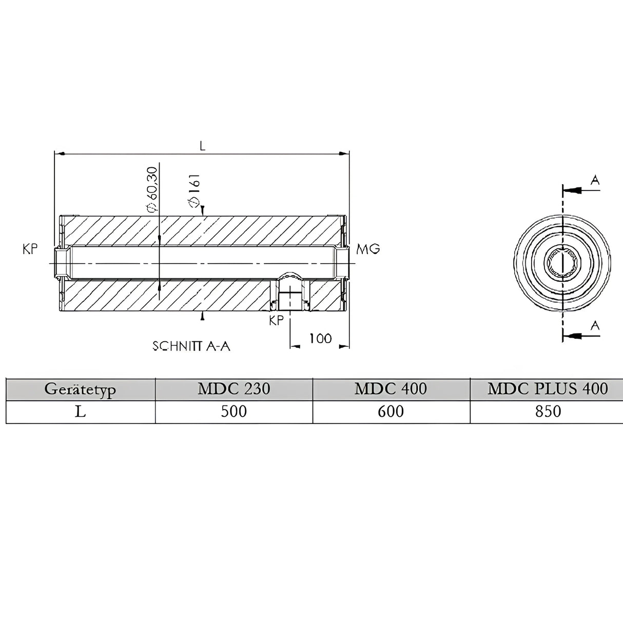
Tekniske detaljer

Modulet har tilslutningsmuligheder på 1 1/4" IG for fremløb og retur samt 1 1/2" IG til varmeelementet. Den fungerer ved en maksimalt tilladt driftstemperatur på 90 °C og et driftstryk på op til 10 bar, hvilket gør den alsidig og robust.

Med en minimumsflowhastighed på 9,0 kW eller 514 l/t og en indvendig diameter på 60 mm opfylder eftervarmemodulet strenge tekniske standarder. MDC400 Plus varmeelementmodulet med 9,0 kW (400 V) er et passende match, mens dets dimensioner på 161 mm i diameter og 850 mm i længden sikrer et kompakt design.

Mulige anvendelser og anvendelsesområder

MDC 400P eftervarmemodulet tilbyder en bred vifte af anvendelser – fra nødopvarmning i tilfælde af strømafbrydelse til varmebackup i kritiske vintermåneder. Når det bruges i kombination med varmepumper eller kedler, yder det et vigtigt bidrag til forsyningssikkerheden i dit varmesystem.

Dens fleksible anvendelse i åbne og lukkede varmesystemer, samt dens tilslutning til varmepatroner op til 9,0 kW, gør den til et ideelt tilbygningsmodul. Dette muliggør optimal dæmpning af sæsonbestemte temperaturudsving eller planlagt vedligeholdelsesarbejde.

Tekniske data

  • Tilslutning fremløb og retur: 1 1/4" IG
  • Tilslutning til varmeelement: 1 1/2" IG
  • Maks. tilladt driftstemperatur: 90 °C
  • Maks. tilladt driftstryk: 10 bar
  • Husmateriale: råt stål indvendigt, pulverlakeret udvendigt
  • Husisolering: 50 mm polyurethanskum
  • Yderstof: plastik, farve: grå
  • Minimumsflow: 9,0 kW/514 l/t
  • Passende varmeelement MDC400 Plus modul: 9,0 kW (400V)
  • MDC-modulets indvendige diameter: 60 mm
  • Dimensioner MDC400 Plus (diameter x længde): 161 mm x 850 mm

Leveringsomfang

  • MDC 400P-modul
  • Forsamling &og brugsanvisning

Download

betaling & Sikkerhed

Betalingsmuligheder

  • American Express
  • Apple Pay
  • Bancontact
  • BLIK
  • EPS
  • Google Pay
  • iDEAL
  • Klarna
  • Maestro
  • Mastercard
  • MobilePay
  • PayPal
  • Przelewy24
  • Shop Pay
  • Union Pay
  • Visa

Dine betalingsoplysninger behandles sikkert. Vi hverken gemmer eller tilgår dine kreditkortoplysninger.

Kundeanmeldelser

Vær den første til at skrive en anmeldelse
0%
(0)
0%
(0)
0%
(0)
0%
(0)
0%
(0)

Kontakt os

reviews
See all reviews